摘要:圆柱滚子轴承是回转机械中必不可少的零件,运转过程中会因摩擦产生大量的热,工作温度也将随之上升,因此准确快速地计算其温度分布具有重要意义。现以整体法摩擦生热计算为基础,建立主轴-轴承系统热网络分析模型,得出特定工况下系统整体温度分布情况,并通过有限元法对结果进行验证。结果表明,热网络法可快速有效地计算系统温度分布情况,随着外载荷及转速的升高,系统内各部分温度均有所增长,温度最高的部位出现在滚动体与内滚道的接触处。
摘要:工业自动化配料是将多种原料按照重量配比混合在一起,通过控制配料设备的速度从而控制配料的比例。以往的控制方式是上位机、PLC(可编程逻辑控制器)、控制仪表、设备从上往下逐级控制,通信层级多,通信效率低、滞后严重,严重影响了配料精度。鉴于此,根据实验测试,介绍了一种应用于配料系统的新型ModBus RTU主从站设计,以上位机组态系统为主站,S7-200 PLC和控制仪表并列作为从站,两者同时与上位机进行通信,并各自控制对应的设备。该方案减少了通信的环节,大大降低了通信滞后,提高了整个系统的反应能力,使得配料精度大大上升。
摘要:为解决城市轨道交通车站机电系统设备运行状态管理孤岛问题,实现不同设备数据的融合采集,提升机电设备运维管理效率,在分析城轨交通车站机电系统设备及数据类型的基础上,提出基于物联网的城轨交通车站机电系统设备融合监控方案,建立融合监控方案的技术架构。该方案利用分布式物联网技术,构建包含公共区、设备区等不同设备、数据类型的设备融合监控系统,实现不同机电设备数据的融合采集与监控,可有效简化车站机电综合监控系统结构,提升设备统一性和可维护性。
摘要:以STC15W204S单片机为核心控制器,设计并实现了一种电子式速度继电器。系统采用两个HAL3144霍尔传感器采集电机转盘上磁钢的过磁信号,通过单片机对两路存在相位差的方波信号进行捕获与处理,精确计算出电机的实时转速并判断其旋转方向。控制器电源直接由工业现场AC380 V电源经降压、整流、稳压后提供,具备高抗干扰性和工业适用性。实际测试表明,该系统结构简单、成本低廉、运行稳定、测量准确,能够可靠地应用于工业电机转速监控、转向判别及超速/低速保护等场景。
摘要:阐述了永磁同步主轴电机温升对数控机床的影响及温升机理,详细介绍了永磁同步主轴电机的温升测试方法与数据分析过程。
摘要:大规模风电接入电网时,次同步振荡现象凸显,对电网安全稳定运行造成严重影响。基于风电场次同步振荡具有多频段特点,对MMC型静止同步调相机的多频段抑制策略进行了研究,通过分析其拓扑结构及子模块的工作机制,给出一种依靠电压前馈的并联阻尼控制方法,并配合FFT频段判别和留数法参数改良,从而实现对多频段振荡的高效抑制。仿真结果表明,该策略在不同系统强度下均可平息振荡,加强风电并网系统的稳定性。
摘要:随着网络信息技术的迅速发展,信息传输量持续增长,传统通信接口已难以满足多样化应用场景对高带宽的要求。万兆以太网凭借其高速传输特性正逐渐成为高性能通信系统的重要选择。万兆以太网卡的系统设计首先以万兆以太网协议栈为研究对象,构建了基于UDP协议的模型,然后系统阐述了各层协议的功能,设计了完整的UDP协议栈体系结构。系统通过PCIe接口实现与上位机CPU的高速数据交互,实现了UDP、ARP、IP等核心以太网协议封装与解析的逻辑,具备完善的网络协议处理功能。通过搭建实验验证平台,完成了自回环测试与双机互连实验,验证了网卡系统功能的正确性、稳定性与吞吐性能。
摘要:对南京地铁某线路列车网络控制系统网络故障情况进行简要分析,找出导致故障的原因并提出改进优化方案,为列车网络控制系统优化提供参考。
摘要:随着科学技术的飞速发展,电子元器件的尺寸越来越小,但功耗却越来越大。在太空环境中,电子设备的散热只有导热和辐射两种途径,因此大功耗的发热器件如何有效散热成为制约航天载荷性能发挥的瓶颈。某星载处理单机作为卫星载荷的重要单机之一,其作用是对卫星载荷数据进行有效处理并下传至地面,其性能的好坏影响着卫星载荷工作性能的发挥。鉴于此,针对该星载处理单机发热量较大、散热需求强烈等问题,在对该单机进行散热分析的理论基础上,通过结构设计改进和传热路径优化来保证热量的高效传输,并给出了热设计方案和优化措施,同时对比了采用均温板技术对单机温度的影响情况。仿真结果表明,通过结构优化或采用均温板技术均可有效控制器件温度。所提设计方案对于同类型单机的热设计具有一定的参考和借鉴意义。
摘要:与传统机械加工相比,电火花线切割是一种借助现代机电技术的新型加工方式,是机械制造领域不可缺少的特种加工技术之一。鉴于此,通过对“中走丝”机床高频放电加工机理进行研究,基于现有线切割脉冲电源技术的优势与不足,提出了一种具有可行性、实用性的脉冲电源解决方案。通过将电源控制技术引入脉冲电源系统,设计了一款脉冲电源,该脉冲电源可以实现大脉宽22μs、小脉宽300ns打磨工件,从而提高线切割机的加工精度,改善“中走丝"机床加工工件的表面粗糙度,提高加工质量。
摘要:介绍了一种跟网型储能变流器的设计原理及特性,设备可应用于风电或光伏电站配属的储能站,可实时跟踪电网相位角,并提高新能源电站的功率控制精度。该设计的可行性与实用性在实际现场应用中得到了验证。
摘要:传统嵌入式系统的能力形成遵循先硬件后软件的串行模式已难以满足软件功能快速成型、持续迭代的需求,同时物理资源的有限性也严重制约系统开发与测试并发效率。鉴于此,通过虚拟仿真技术,实现在通用环境下模拟嵌入式平台计算、存储、总线网络等硬件功能,实现目标二进制软件的部署运行,有效支撑嵌入式软件敏捷研发能力的提升。
摘要:随着智能电网的快速建设与发展,电力数据资源呈现爆发式增长,如何实现高效、稳定、可扩展的数据传输已成为电力监控系统面临的关键问题。鉴于此,设计并实现了一套基于Kafka集群的高性能消息传输机制,以提升电力监控系统在海量数据环境下的实时通信与处理能力;构建了由基础层、数据采集层、传输层和应用层组成的电力监控系统架构,数据采集层可实现对关键参数的实时采集,传输层通过引入Kafka集群技术,保障了高并发场景下的数据传输稳定性与可靠性。系统部署于江西省超级计算公共服务平台,分别对Kafka集群的发送端与接收端进行压力测试,结果显示,该系统在处理高频率数据传输时具备良好的吞吐能力与实时响应性能,Kafka集群在多节点协作下展现出良好的扩展性和容错能力。综上所述,所构建的基于Kafka集群的电力监控数据传输系统不仅满足了实时性和可靠性的要求,还为电力行业在中间件选型和系统架构设计方面提供了实践参考与技术支持。
摘要:嵌入式环境对数据处理的实时性要求很高,因此在低资源环境下如何快速应对多种查询场景成为当前的研究热点。现提出一种基于内存的混合索引查询方案,主要解决嵌入式环境中单点查询和范围查询慢与资源消耗高的问题,并通过实验验证设计的高效性。
摘要:针对标注数据有限的场景,提出了一种联合训练方法,同时进行目标任务和输入重构训练,帮助模型从未标注数据中提取有效特征信息。为平衡两项任务,损失函数采用基于两项任务的自适应加权和,动态优化训练过程。最后在MNIST数据集上验证了所提方法的有效性。
摘要:介绍了ROPS(Roll-Over Protective Structure,翻滚保护结构)仿真中连续加载工况的必要性。通过Hypermesh网格划分工具对某型号装载机驾驶室模型进行前处理,再通过ROPS自动建模工具对模型进行连续工况加载。最后通过标准化试验对样机进行测试,结果表明ROPS自动建模工具效果良好,可以有效优化仿真测试方法,对推动结构安全测试有重要意义。
摘要:针对FS417A型叶丝柔性就地风选机高速带频繁跑偏,造成高速带传动辊及两端的轴承反复损坏这一系列问题,对高速带的调校方法进行了改进,并分析了改进效果。
摘要:短路计算是电气专业领域最为基础且重要的计算之一,其计算结果影响包括设备选型及校验、系统运行方式选择、继电保护定值设定、系统稳定性分析等诸多方面。短路计算是化工电气设计不可或缺的环节,现根据项目实际数据及规范公式进行短路计算并用软件验证,然后结合计算结果探讨化工企业断路器、母线选型优化方案,并提出相关建议。
摘要:聚焦抓斗卸船机故障分析与排除展开研究。介绍了抓斗卸船机在港口作业中的重要地位,阐述了研究其故障分析与排除的必要性。通过对桥式抓斗卸船机常见故障类型的详细分析,包括钢丝绳故障、悬臂收起故障、啃轨故障、金属结构裂纹及变形、电气故障、漏斗系统故障等,深入探讨了故障产生的原因。同时,结合实际案例,提出了具有针对性的故障排除方法和预防措施,旨在提高抓斗卸船机的运行可靠性和作业效率,降低设备故障率,保障港口装卸作业的顺利进行。
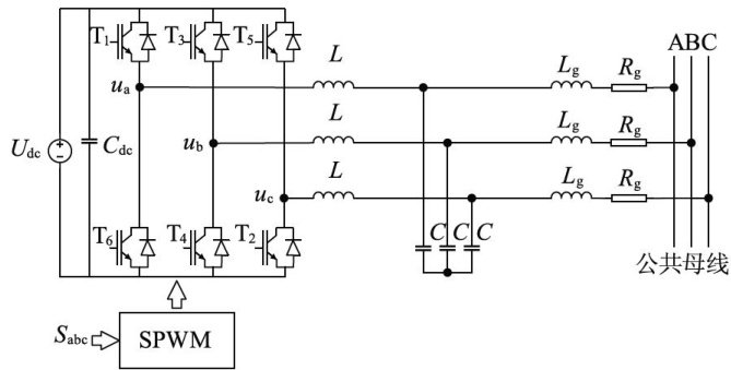
摘要:在碳达峰、碳中和战略驱动下,我国新能源产业快速发展,但新能源发电的间歇性、波动性及传统同步机组退役,导致电网惯量与电压、频率支撑能力下降,构网型(Grid-Forming,GFM)储能逆变器虽成为高比例新能源并网核心设备,却易与电网耦合引发次同步振荡(Sub-Synchronous Oscillation,SO)。为解决此问题,首先构建虚拟同步机(Virtual SynchronousGenerator,VSG)构网型储能逆变器数学模型,分析其拓扑、功率计算及双闭环控制方法;然后根据LCL滤波器谐振特性与SSO耦合机制,提出基于状态变量反馈的有源阻尼策略,通过在电流内环引入反馈环节等效“虚拟电阻”,重构谐振频率以调节阻尼;最后搭建仿真模型验证,结果表明该策略能显著抑制功率振荡,提升系统并网稳定性。
摘要:铝合金材料比强度高,可以在保证组件结构强度的同时减轻整体重量,有助于实现轻量化设计,其良好的耐腐蚀性,有助于抵抗燃油及湿气的侵蚀,可以在油箱等环境中长期稳定使用,保障燃油系统安全可靠运行,减少因腐蚀导致的故障维修和维护成本。鉴于此,针对航空航天系统浮子组件的焊接工艺难题,通过分析LF21铝合金材料特性及焊接难点,设计专用夹具并优化焊接参数,采用交流氩弧焊的分阶段焊接工艺方案,配合多道工序质量检验,实现浮子组件的高精度焊接,能够在保证焊缝性能的基础上,满足密封性及尺寸精度要求,可为同类航空铝合金结构件焊接提供参考。